2.3kg digital servo FT90M
Price: 0 $
- Parameters
- Downloads
-
Product Name:FT90M
Product Model No:23.3*12.1*25.5mm
Structure Size:13.5± 1g
The Maximum Speed:0.1sec/60degree@6V
The Stall Torque:2.3kg.cm@6V
The Rotation Degree:280°(when 1000~2000 μ sec)
Product details
|
型 号 Model: |
FT90M-C001 |
|
产品名称 Product Name: |
6V 2.3kg数字舵机/6V 2.3kg. cm Digital Servo |
| 存储温度 Storage Temperature Range | -30℃~80℃ |
| 运行温度 Operating Temperature Range: | -15℃~70℃ |
|
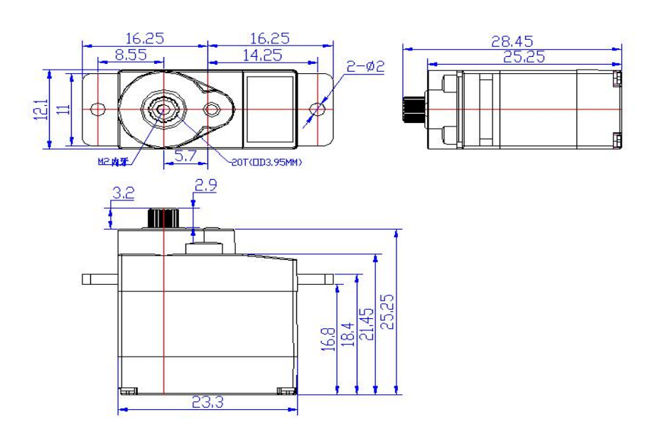
尺寸 Size: |
A:23.2mm B:12.1mm C:25.5mm |
|
重量 Weight: |
13.5± 1g |
| 齿轮类型 Gear type: | Metal Gear |
| 机构极限角度 Limit angle: |
NO limit |
| 轴承 Bearing: | NO |
| 出力轴 Horn gear spline: | 20T/3.95mm |
| 摆臂 Horn type: | Plastic,POM |
| 外壳 Case: | PC plastic |
| 舵机线 Connector wire: | 200mm |
| 马达 Motor: | core motor |
|
工作电压Operating Voltage Range: |
3-8.4V |
| 静态电流Idle current (at stopped) . | 6mA@6V |
|
空载速度 No load speed: |
0.1sec/ 60degree @6V |
| 空载电流 Runnig current(at no load) : | 150mA@6V |
|
堵转扭矩 Peak stall torque: |
2.3kg.cm@6V |
|
额定扭矩 Rated torque: |
0.76kg.cm@6V |
| 堵转电流 Stall current: | 1000mA@6V |
| 控制信号Command si gnal | Pulse width modification |
| 放大器类型Amplifier type | Digital comparator |
| 脉冲宽度范围Pulse width range | 1000~2000usec |
| 停止位置Stop position | 1500 μsec |
| 旋转角度Running degree | 280° (at 1000→2000μsec) |
| 死区宽度Dead band width | ≤4 μsec |
| 旋转方向Rotating direction | 逆时针 Counterclockwise(在1500 →2000 μsec) |
| 详细规格书下载Download detailed specifications: | |
| 外形图 The Drawings: |






